
Danyang Tongzhou Rubber & Plastic Products Co., Ltd.
全国服务热线: 0511-86239900

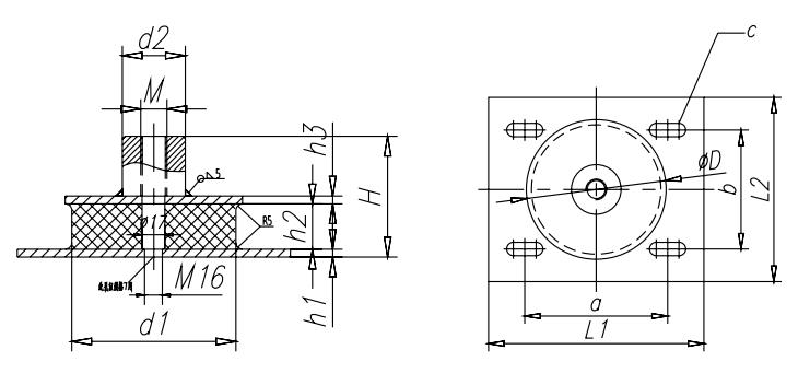
主机减震垫 | |||||||||||||||||
尺寸(1-9) |
硬度 |
变形量 | 弹性系数 (刚度) | 橡胶与钢板的粘合力 | |||||||||||||
L1 | L2 | a | b | c | ΦD | d2 | M | d1 | h3 | h2 | h1 | H | |||||
170 | 170 | 122 | 122 | 13×33 | Φ135 | Φ48 | M20 | Φ125 | 5 | 37 | 5 | 90 | 68° ±5° | 4000kg/cm±10% | ≥ 25kg/cm2 | ||
210 | 160 | 146 | 124 | 14×30 | Φ135 | Φ48 | M20 | Φ125 | 6 | 38 | 6 | 90 | 68° ±5° | 4000kg/cm±10% | ≥ 25kg/cm2 | ||
210 | 180 | 146 | 124 | 18×40 | Φ135 | Φ50 | M20 | Φ125 | 6 | 35 | 6 | 90 | 70° ±5° | 4000kg/cm±10% | ≥ 25kg/cm2 | ||
194 | 180 | 130 | 124 | 18×40 | Φ130 | Φ48 | M20 | Φ120 | 6 | 40 | 6 | 93 | 80° ±5° | 1200kg 2mm±15% | ≥ 25kg/cm2 | ||
210 | 180 | 146 | 124 | 18×40 | Φ140 | Φ48 | M20 | Φ130 | 8 | 35 | 8 | 92 | 55° ±5° | 3000kg/cm±10% | ≥ 25kg/cm2 | ||
194 | 180 | 130 | 124 | 18×40 | Φ140 | Φ48 | M20 | Φ130 | 8 | 35 | 8 | 92 | 55° ±5° | 3000kg/cm±10% | ≥ 25kg/cm2 | ||
210 | 180 | 146 | 124 | 18×40 | Φ138 | Φ48 | M20 | Φ128 | 10 | 40 | 10 | 100 | 80° ±5° | 1200kg 2mm±15% | ≥ 25kg/cm2 | ||
194 | 180 | 130 | 124 | 14×40 | Φ130 | Φ48 | M20 | Φ130 | 10 | 40 | 10 | 100 | 70° ±5° | 500kg/cm±10% | ≥ 25kg/cm2 | ||
210 | 180 | 146 | 124 | 14×40 | Φ115 | Φ50 | M20 | Φ115 | 10 | 40 | 10 | 100 | 60° ±2° | ≥ 25kg/cm2 | |||